Hướng dẫn lắp đặt đấu nối tủ điện công nghiệp
Hiện nay, nhu cầu tìm hiểu các hướng dẫn lắp đặt đấu nối tủ điện công nghiệp rất nhiều. Nếu tra trên google từ khoá đó chắc chúng ta có thể nhận được gần 2 triệu lượt tìm kiếm. Điều đó chứng tỏ sự quan trọng của tủ điện công nghiệp hiện nay. Vậy làm thế nào để có thể hiểu, lắp đặt và đấu nối tủ điện công nghiệp được chính xác? Chúng tôi sẽ giúp các bạn giải quyết vấn đề đó qua bài viết dưới đây.
1. Kiểm tra kỹ bản vẽ thiết kế và lựa chọn các thiết bị hợp lý
Đây là khâu rất quan trọng trong việc lắp đặt và đấu nối tủ điện công nghiệp. Vì nếu chúng ta chọn sai thiết bị không đúng với bản vẽ thì sản phẩm của chúng ta sẽ không có giá trị. Khách hàng sẽ không nhận bàn giao sản phẩm, điều đó có nghĩa là chúng ta không thu lại được tiền. Chính vì vậy, trước khi lắp đặt và đấu nối tủ điện chúng ta cần nghiên cứu kỹ bản vẽ thiết kế. Nghiên cứu kỹ mạch điện xem có chỗ nào chưa chuẩn để phản hồi lại với khách hàng. Đưa ra giải pháp cuối cùng trước khi lắp đặt.
Cụ thể như sau:
Nếu bạn đang lắp đặt 1 tủ điện phân phối tổng MSB. Bạn cần phải xác định được số lượng phụ tải, số nhánh cần phân phối. Để tính toán giá trị của thiết bị đóng cắt, thiết bị bảo vệ và dây dẫn điện. Chúng ta cần cân đối hợp lý giữa bài toán chất lượng và giá thành. Đối với các dự án lắp đặt tủ điện công nghiệp cho các khu cao cấp. Toà nhà cần độ ổn định và chính xác cao. Chúng ta nên sử dụng thiết bị của các hãng có thương hiệu lớn của thế giới như Siemen, ABB, Schnaidei, Mitsubishi… Bởi chất lượng và thương hiệu đã được khẳng định tại Việt Nam.
Còn đối với các dự án có mức đầu tư trung bình, mức đầu tư không cao. Chúng ta có thể lựa chọn sử dụng thiết bị điện LS của Hàn Quốc hoặc Chint của Trung Quốc. Với chất lượng tốt và giá thành hết sức cạnh tranh. Chắc chắn sẽ đáp ứng được tiêu trí ” Ngon – Bổ – Rẻ “.

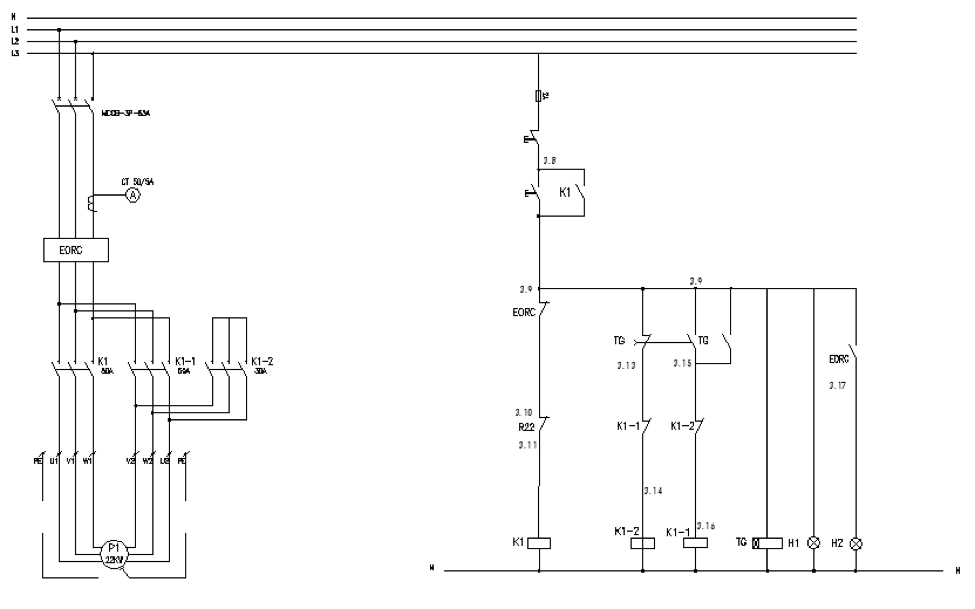
Sơ đồ một sợi tủ điện
2. Lên bản vẽ layout bố trí thiết bị trên tủ điện
Khâu thiết kế có vai trò rất quan trọng trọng quá trình sản xuất và lắp đặt tủ điện công nghiệp. Khi thiết kế, chúng ta cần nghiên cưú kỹ sơ đồ mạch điện. Liệt kê đầy đủ chi tiết các thiết bị có trong sơ đồ nguyên lý. Từ đó tập hợp và lên được bản vẽ layout. Trên bản vẽ layout mặt tủ, chúng ta khái quát cung cấp những hình ảnh về tủ điện. Trong đó có cách bố trí sắp xếp các thiết bị, hệ thống dây dẫn, nguyên lý… Điều này giúp ích rất nhiều cho việc đọc hiểu bản vẽ, hình dung về các thiết bị có trong tủ điện. Nó cũng là một trong những yêu tố ảnh hưởng đến việc chủ đầu tư có quyết định ký kết hợp đồng thi công hay không?
Bản vẽ layout bố trí thiết bị trên tủ điện cũng chính là sự cam kết giữa hai bên. Khi bàn giao tủ điện công nghiệp, bên nhận hàng sẽ dựa vào bản vẽ này để kiểm tra kích thước tủ. Các vị trí thiết bị trên mặt tủ, khoảng cách giữa các chi tiết trên bản vẽ so với thực tế đã chuẩn chưa.
Trong trường hợp hai bên có sai hỏng và không làm theo những gì ghi trong bản vẽ layout. Thì bên đó sẽ phải chịu trách nhiệm. Phần phát sinh do sai hỏng phải làm lại sẽ cộng cho bên không làm theo bản vẽ layout. Thông thường các bản vẽ layout tủ điện công nghiệp được chúng tôi vẽ trên phần mềm Autocad 2D. Trừ những khách hàng khi đặt mua sản phẩm cần chúng tôi vẽ chi tiết trong tủ thì sẽ được dựng trên bản vẽ 3D.

Bản vẽ thiết kế lắp đặt tủ điện
3. Gia công lắp đặt phần vỏ tủ điện công nghiệp
Sau khi đã gửi cho khách hàng bản vẽ phê duyệt tủ điện công nghiệp. Chúng tôi sẽ đi tới thiết kế chi tiết vỏ tủ điện để chuyển xuống xưởng sản xuất gia công. Công ty chúng tôi có dây truyền gia công vỏ tủ điện công nghiệp hiện đại. Với hệ thống máy móc C.N.C nhập khẩu của các nước Đức và Nhật. Đảm bảo độ chính xác cao và giúp sản phẩm có chất lượng rất tốt. Việc gia công các chi tiết mặt tủ được lập trình trên máy tính và đẩy lên máy đột C.N.C. Các lỗ khoét thiết bị như mặt đồng hồ, đền báo, chuyển mạch… được máy đột C.N.C thực hiện chính xác từng milimet. Đảm bảo các vị trí theo đúng bản vẽ layout đã được phê duyệt.
Khâu hoàn thiện sơn phủ bề mặt tủ điện công nghiệp sẽ kết thúc việc gia công vỏ tủ. Khâu này là khâu quan trọng ảnh hưởng trực tiếp tới thẩm mỹ cho toàn bộ sản phẩm. Nếu nước sơn kém, bề mặt bị bong tróc hay sần sùi thì sẽ không đảm bảo. Chính vì vậy nên công ty chúng tôi đầu tư hệ thống sơn tĩnh điện hoàn toàn tự động. Từ khâu xử lý bề mặt tới phun sơn và ủ nhiệt đều được các hệ thống camera giám sát chặt trẽ. Tránh thiếu xót và sai hỏng ảnh hưởng tới chất lượng sản phẩm.

Máy đột CNC 357
4. Khâu lắp gá thiết bị lên tủ điện công nghiệp
Khi lắp đặt thiết bị lên vỏ tủ điện công nghiệp, cần tuân theo các nguyên tắc sau:
-
Các thiết bị như đèn báo pha, đồng hồ đo dòng điện, đồng hồ chỉ thị, chuyển mạch đặt ở vị trí trên cao. Giúp người vận hành dễ dàng quan sát các chỉ số đo trên thiết bị.
-
Các thiết bị điều khiển (Nút nhấn, công tắc) đặt phía dưới giúp việc thao tác trong quá trình vận hành dễ dàng nhất
-
Cần phân bố các nút nhấn, công tắc cùng điều khiển 1 thiết bị trên cùng 1 hàng (ngang hoặc dọc ). Thuận tiện cho quá trình vận hành. Các vị trí lấy tâm tủ làm điểm giữa và phát triển dần sang hai bên. Tạo cho mặt tủ có sự cân bằng và đối xứng giữa các thiết bị với nhau. Giúp người sử dụng không bị rối và làm cho tủ thêm phần thẩm mỹ.
-
Sắp xếp, bố trí các thiết bị bên trong tủ điện như: Cầu đấu, rơle, timer… bên trong tủ điện một cách khoa học. Hợp lý và dễ dàng khi đấu nối, thay thế hay sửa chữa.
-
Việc thiết kế bố trí thiết bị trên tủ điện hợp lý, đúng cách. Sẽ làm cho tủ điện giảm ảnh hưởng độ nhiễu giữa các thiết bị, tiết kiệm dây dẫn điện, tăng tính thẩm mỹ. Tăng tuổi thọ các thiết bị và vận hành ổn định hơn.

tủ điện máy cắt không khí và ngăn tủ điện hạ thế
-
Sắp xếp thiết bị được phân thành từng nhóm như sau:
Nhóm thiết bị điều khiển thường đặt cùng một bên tránh hiện tưỡng nhiễu tín hiệu khi đặt cùng nhóm động lực. Ví dụ ( Các rơ le bảo vệ, rơ le trung gian, bộ điều khiển, cảm biến).
Nhóm khí cụ điện đóng cắt đặt cùng 1 hàng phía dưới (Aptomat, Contactor, khởi động từ.)
Aptomat tổng (Cấp nguồn cho hệ thống) đặt ở trung tâm tủ điện (hoặc đặt ở góc cao bên trái) sao cho thuận tiện trong quá trình vận hành, thao tác.
Cầu đấu đặt ở phía dưới cùng để thuận tiện cho quá trình đấu dây vào / ra tủ điện
Lưu ý thêm: Vì tủ điện công nghiệp thường có sự kết nối giữa các thiết bị bên trong với bên ngoài. Như lỗ bắt quạt thông gió hay lỗ khoét đi dây cáp điện. Chính vì vậy, khi thiết kế cần làm các tấm che chắn hoặc lưới chống côn trùng xâm nhập. Bảo vệ an toàn cho thiết bị bên trong.
5. Đấu nối tủ điện công nghiệp
Đấu nối dây giữa các thiết bị cần được kết nối một cách chính xác và khoa học.
Có sự phân biệt rõ ràng giữa màu của các phase, có đầu số ghi cầu đấu chi tiết giúp việc sửa chữa và bảo trì sau này dễ dàng
Mạch điều khiển và mạch động lực cần đi xa nhau tránh hiện tượng bị nhiễu tín hiệu đối với các con sensor hay cảm biến.
Đối với các dây đấu nối tín hiệu cần mua loại có vỏ bọc chống nhiễu tốt.
Nên đấu nối tuần tự từ mạch động lực sau tới mạch điều khiển.

Tủ điện điều khiển bơm cứu hỏa
6. Xông điện chạy thử trước khi bàn giao
Sau khi đấu nối hoàn thiện lắp đặt tủ điện công nghiệp. Chúng ta test tủ bằng đồng hồ trước khi xông điện. Việc này cần phải làm theo các bước và yêu cầu người kiểm tra có kinh nghiệm. Nếu làm không cẩn thận thì hậu quả rất nặng nề ảnh hưởng trực tiếp tới tiến độ, chất lượng và uy tín của công ty.
Sau khi test nguội xong, chúng ta xông điện vào tủ và test các thiết bị có trong tủ. Từ đèn báo pha, đồng hồ đo chỉ số, chuyển mạch tới các thiết bị đóng cắt. Xem tất cả có hoạt động tốt không tránh việc các thiết bị không hoạt động do lỗi của nhà sản xuất. Từ đó chúng ta có phương án đổi mới và thay thế trước khi giao hàng cho khách. Chủ động được tiến độ và đúng cam kết đã đề ra.
Công ty Sơn Hà với thương hiệu Sơn Hà có nhiều năm kinh nghiệm. Đã được nhiều đối tác trong cũng như ngoài nước tin tưởng và đặt hàng. Chúng tôi có hệ thống nhà xưởng rộng lớn, máy móc hiện đại cùng cán bộ công nhân viên nhiệt huyết. Đáp ứng đủ các yêu cầu khó tính nhất của khách hàng. Nếu các bạn có nhu cầu đặt mua sản phẩm tủ điện công nghiệp hãy nhấc máy lên và gọi ngay cho chúng tôi. Sơn Hà sẽ là cầu nối giúp các bạn thành công hơn nữa.

